

These brackets fit both the top and bottom of the standard speed linear actuators and the bottom of the high speed.
(1002-MB1 and 1002-MB8)

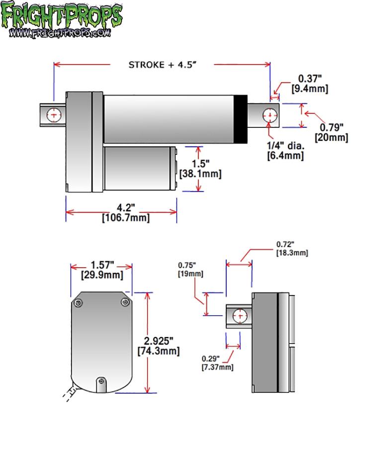
These brackets are for the shaft (top) of the high speed linear actuators only (1002-MB1A)

From $199.99
To $209.99
From $369.95
To $489.94
From $398.94
To $514.94
WARNING: HYDRAULIC AND PNEUMATIC POWER SYSTEMS CAN FAIL THROUGH MISUSE, AGE OR MALFUNCTION. THE SYSTEM DESIGNER IS WARNED TO CONSIDER THE FAILURE MODES OF ALL COMPONENTS USED IN THE DESIGN AND ENGINEERING OF ALL SYSTEMS AND TO PROVIDE ADEQUATE SAFEGUARDS TO PREVENT PERSONAL INJURY OR DAMAGE TO EQUIPMENT IN THE EVENT OF SUCH FAILURES