JavaScript seems to be disabled in your browser. For the best experience on our site, be sure to turn on Javascript in your browser.
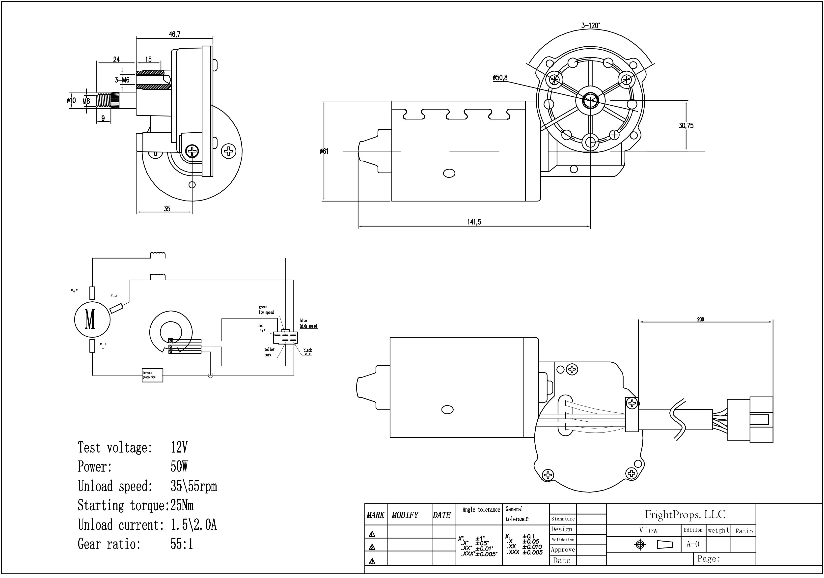
All dimensions given are in metric.
(click for image for a larger version)
Motor Shaft
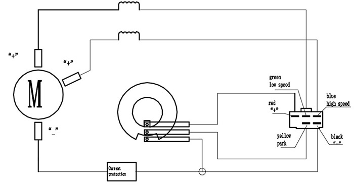
Wiring Schematic